Назад
Фланец резьбовой нержавеющий 3" CL900 RF ASME B16.5 A182 Gr. F51

Фланец резьбовой нержавеющий 3" CL900 RF ASME B16.5 A182 Gr. F51

Характеристики

Вес 1 шт (кг)
11.8
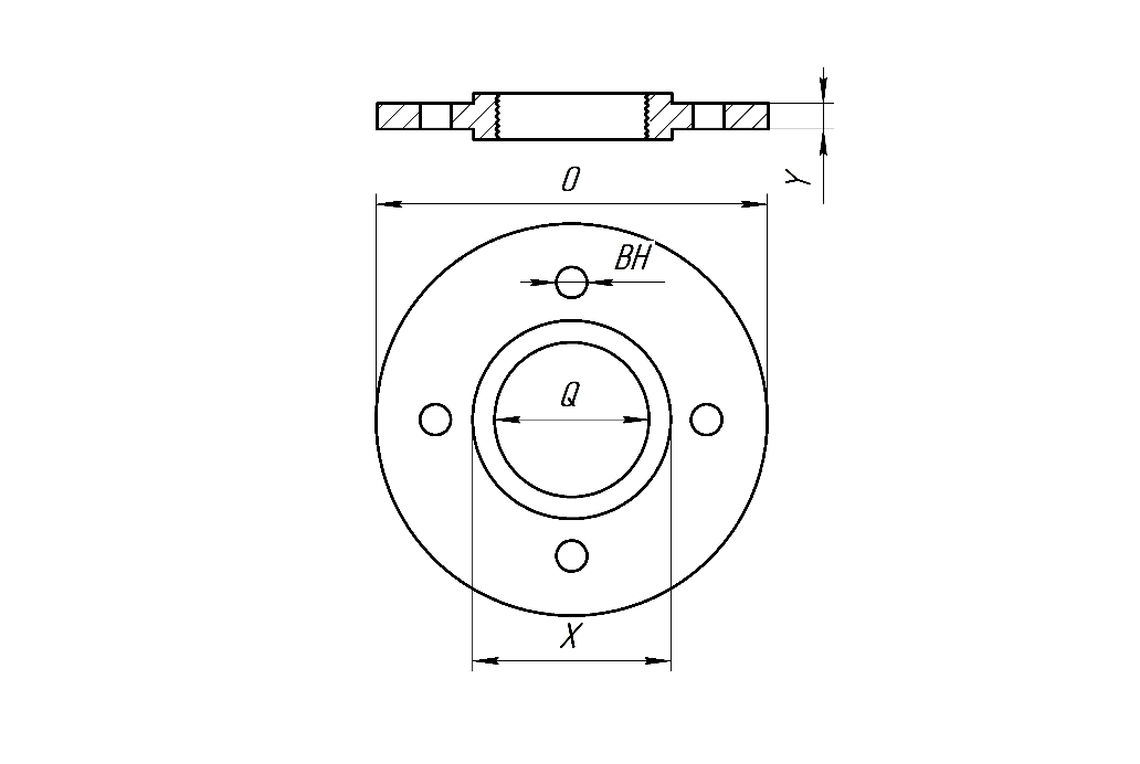
Внутренний диаметр фланца, мин., Q (мм)
92.2
Высота фланца, Y (мм)
53.8
Диаметр воротника при основании, X (мм)
127
Диаметр отверстий, BH (мм)
25.4
Длина резьбы, T (мм)
41.1
Марка стали
A182 Gr. F51
Межосевое расстояние крепежных отверстий, W (мм)
190.5
Наружный диаметр фланца, O (мм)
241.3
Номинальное давление, Class
900
Номинальный диаметр, DN
80
Номинальный размер, NPS (inch)
3"
Стандарт
ASME B16.5
Тип соединительной поверхности
RF - с соединительным выступом
Тип фланца
THRD - резьбовой

0%